Publicación por Suzy Gonzalez
Información fotográfica
tipo de ensamble en acero

losacero fiacion de pernos
Tipo de fijaciones


Fijación de losa acero en hormigon
Fijación a la base la etructura la columna de acero
tipo de platinas


fijaciones de platinas
Métodos de anclajes
Detalles De Apoyos De Columnas
Detalles De Apoyos De Columnas
Detalles Conexiones Rigidas
soldaduras
construccion de una bodega en acero, en concreto y con un techo de armadura
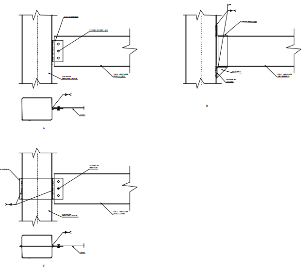
Detalles De Union De Vigas Acolumnas
estructura de techo 2 aguas
Detalles Para Cerchas De Cubierta
Detalles Conexiones Tipicas
conexion de platina y pernos planta
entrepiso de acero con platinas
Información fotográfica
tipo de ensamble en acero

losacero fiacion de pernos
Tipo de fijaciones
Fijación de losa acero en hormigon
Fijación a la base la etructura la columna de acero
tipo de platinas

fijaciones de platinas
Métodos de anclajes
Detalles De Apoyos De Columnas
Detalles De Apoyos De Columnas
Detalles Conexiones Rigidas
soldaduras
construccion de una bodega en acero, en concreto y con un techo de armadura
Detalles De Union De Vigas Acolumnas
estructura de techo 2 aguas
Detalles Para Cerchas De Cubierta
Detalles Conexiones Tipicas
conexion de platina y pernos planta
entrepiso de acero con platinas













No hay comentarios:
Publicar un comentario